Top
ABOUT
Installation
Our
About
PRODUCTS
Radiators
Condensers
Application
NEWS
CAREERS
CONTACT
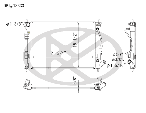
A13333
A13333
Type
Radiator
Koyo#
A13333
DPI#
13333
Years
2012-2013
Make
Kia
Model
Soul
Engine
1.6L I4
Transmission
AT
Rows
1
Note
-
Included Parts
-
TOC
-
EOC
-
Drier
Not Included
Tech Note
-
Back
We may use cookies to ensure that we give you the best experience on our website. If you continue to use this site, clicking “OK”, we will assume that you are happy with it.
OK