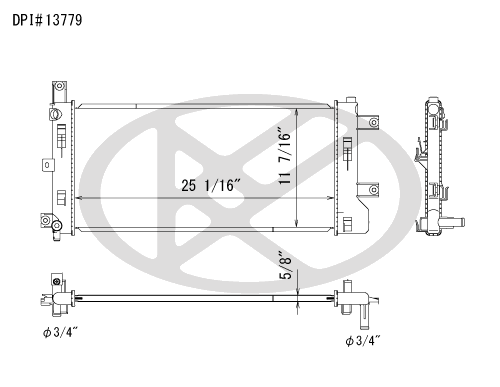
A13779

A13779

Type Radiator
Koyo# A13779
DPI# 13779
Years 2018-2022
Make Nissan
Model Leaf
Engine Electric
Transmission AT
Rows 1
Note -
Included Parts -
TOC -
EOC -
Drier Not Included

Tech Note

-