Top
ABOUT
Installation
Our
About
PRODUCTS
Radiators
Condensers
Application
NEWS
CAREERS
CONTACT
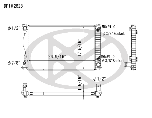
A2828
A2828
Type
Radiator
Koyo#
A2828
DPI#
2828
Years
2005-2011
Make
Audi
Model
A6
Engine
3.2L V6
Transmission
AT
Rows
1
Note
-
Included Parts
-
TOC
-
EOC
-
Drier
Not Included
Tech Note
-
Back
We may use cookies to ensure that we give you the best experience on our website. If you continue to use this site, clicking “OK”, we will assume that you are happy with it.
OK