Top
ABOUT
Installation
Our
About
PRODUCTS
Radiators
Condensers
Application
NEWS
CAREERS
CONTACT
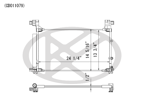
CD011079
CD011079
Type
Condenser
Koyo#
CD011079
DPI#
30021
Years
2018-2020
Make
Lexus
Model
IS300
Engine
2.0L I4 Turbo
Transmission
AT
Rows
0
Note
RWD
Included Parts
-
TOC
-
EOC
-
Drier
Included
Tech Note
-
Back
We may use cookies to ensure that we give you the best experience on our website. If you continue to use this site, clicking “OK”, we will assume that you are happy with it.
OK